Ajouter cette page à votre livre
Retirer cette page de votre livre
Semaine du 05/12/2022
1. Correction des exercices
Cliquez pour afficher ⇲
Cliquez pour masquer ⇱
Exercice 5 p 136
On peut utiliser un calibre dont la valeur est supérieure à la valeur que l'on veut mesurer. On peut choisir :
- 20V car 20V > 4,5V
- 200V car 200V > 4,5V
- 600V car 600V > 4,5V
On sait que plus le calibre est grand, plus la mesure est imprécise. On choisit donc le plus petit calibre : 20V
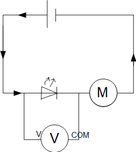
Exercice 6 p 136
a. Maylis est en train de mesurer la tension aux bornes du moteur et pas aux bornes de la DEL.
Il y a aussi un signe moins car la borne V du voltmètre est branchée du coté de la borne - du générateur.
b. Il faut brancher le voltmètre aux bornes de la DEL, la borne V du coté de la borne + du générateur.
Exercice 10 p 137
a. Les bornes A et COM
b. Le courant doit rentrer par A et sortir par COM
c. On trouve I = 0,18 A
(A car on est sur le calibre 10A)
d. 0,18 A = 180mA donc on peut choisir un calibre dont la valeur est plus grande que 180mA.
On peut donc choisir :
- 200mA car 200mA > 180mA
- 2000mA car 2000mA > 180mA
Mais on prendra 200mA car plus le calibre est grand, plus la mesure est imprécise.
2. TP Adaptation
3. A faire pour la prochaine fois
Activité p 130
